Опис
Інформація для замовлення
Лампа 6Н8С, Тріод 6Н8С
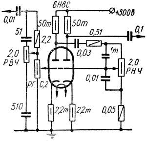
При конструюванні каскаду підсилювача напруги низької частоти на опорах (див. малюнок) необхідно пам'ятати, що при застосуванні анодного навантаження малої величини посилення каскаду зменшується, а частотна характеристика розширюється. При відносно великому анодному опорі посилення каскаду збільшується, а частотна характеристика каскаду звужується.
Конденсатор, блокуючий опір в ланцюзі катода, зазвичай береться електростатичний, ємністю 10-50 мкФ. Величини опорів і перехідного конденсатора для схеми, зображеної на малюнку, наведені в таблиці.

- Ціна: 147 ₴

